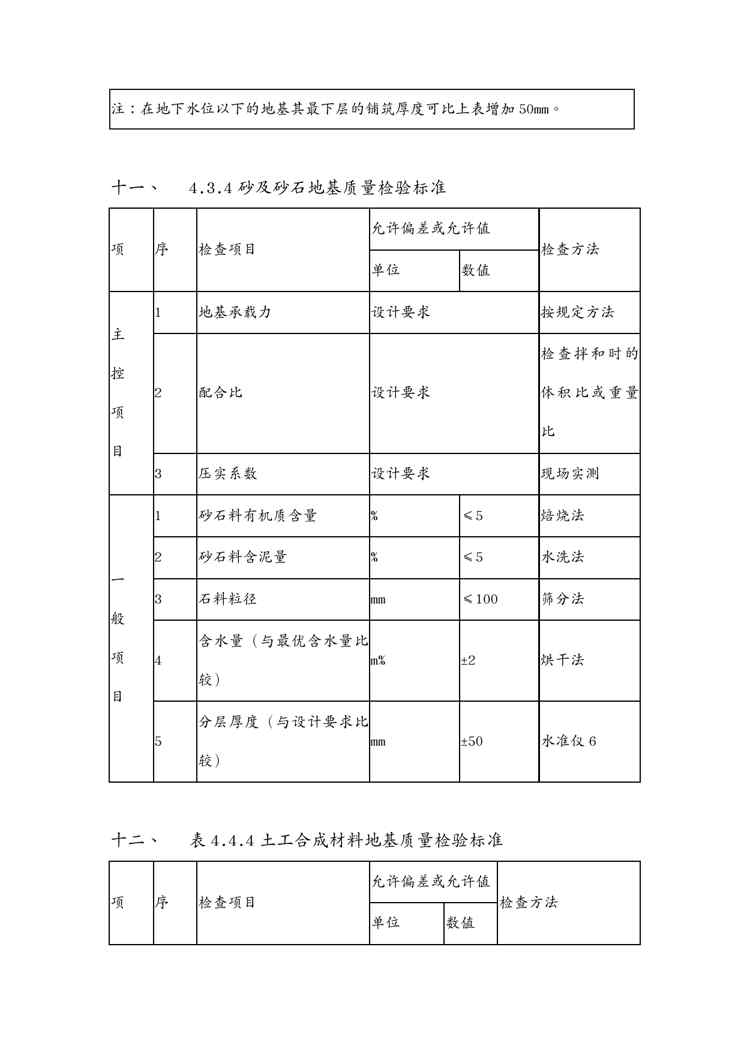
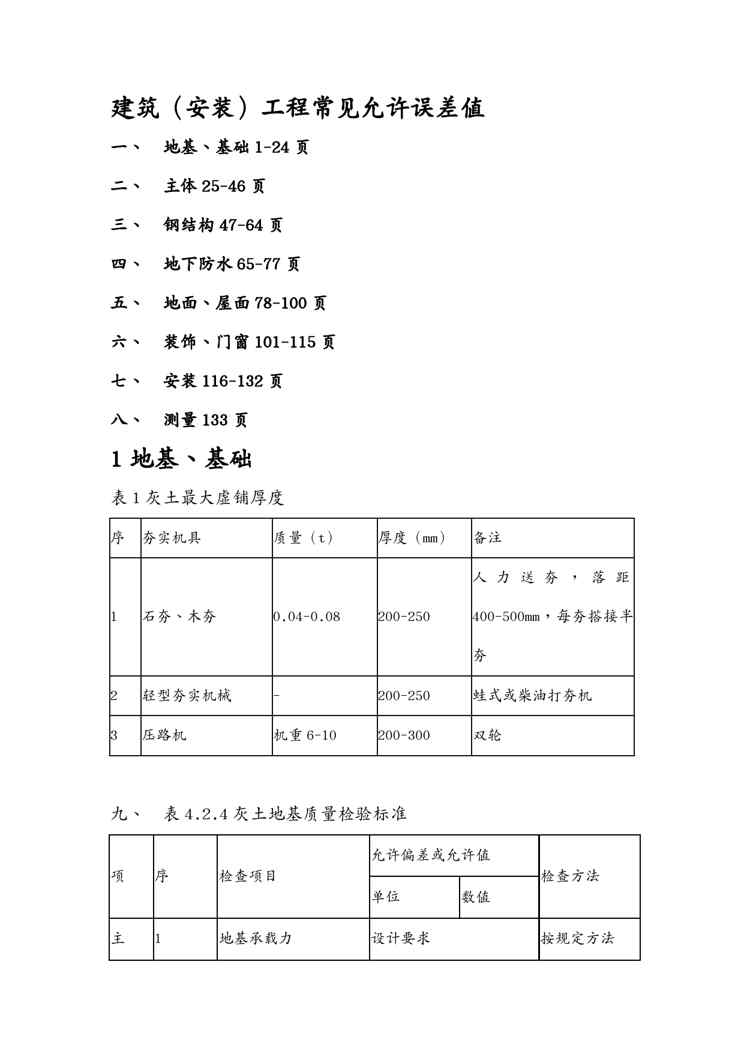
本站正式发布了《{城乡园林规划}建筑安装)工程允许误差值》文档,文档详细内容可下载阅读。
{城乡园林规划}建筑安装)工程允许误差值{城乡园林规划}建筑安装)工程允许误差值{城乡园林规划}建筑安装)工程允许误差值{城乡园林规划}建筑安装)工程允许误差值{城乡园林规划}建筑安装)工程允许误差值
download

声明:本站所有文章,如无特殊说明或标注,均为本站原创发布。任何个人或组织,在未征得本站同意时,禁止复制、盗用、采集、发布本站内容到任何网站、书籍等各类媒体平台。如若本站内容侵犯了原著者的合法权益,可联系我们进行处理。