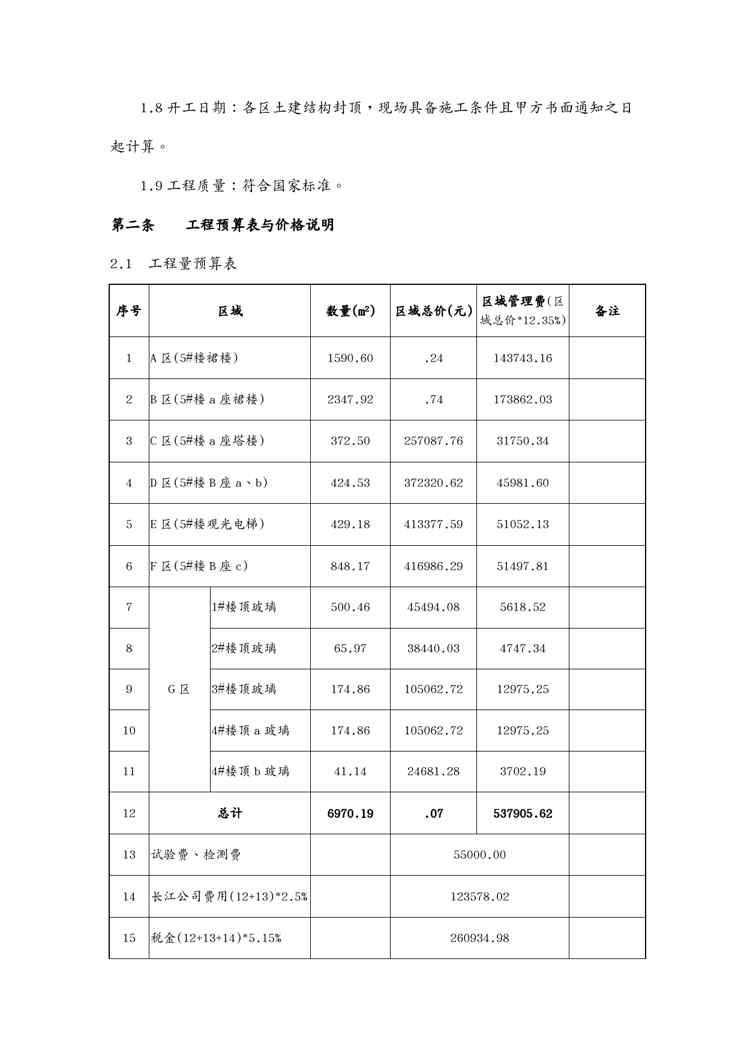
本站资深用户发布了最新的《(工程合同)工程施工合同`》文档,以下内容为预览,详细内容可下载阅读。 声明:本站所有文章,如无特殊说明或标注,均为本站原创发布。任何个人或组织,在未征得本站同意时,禁止复制、盗用、采集、发布本站内容到任何网站、书籍等各类媒体平台。如若本站内容侵犯了原著者的合法权益,可联系我们进行处理。
建筑施工 技术资料 {员工管理}三年制高职建筑工程技术专业人才培养方案1609152320 不久前,最新文档《{员工管理}三年制高职建筑工程技术专业人才培养方案160915... 6 月前 0 0 787 0