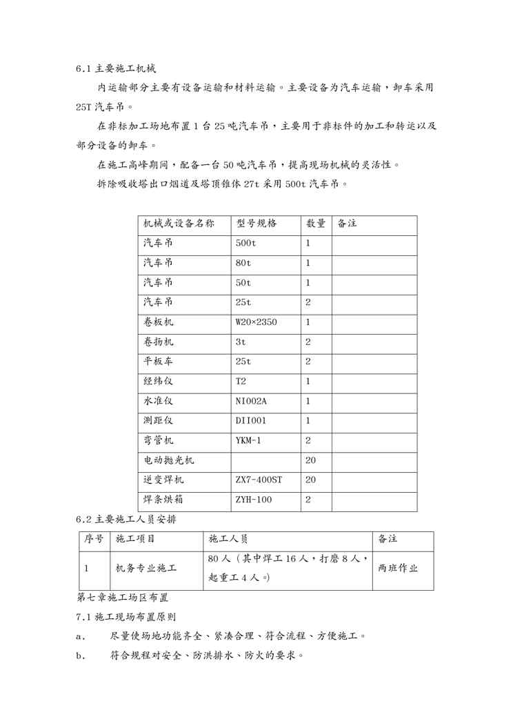
本站资深用户发布了最新的《{企业通用培训}吸收塔塔体提升及安装施工方案讲义》文档,以下内容为预览,详细内容可下载阅读。 声明:本站所有文章,如无特殊说明或标注,均为本站原创发布。任何个人或组织,在未征得本站同意时,禁止复制、盗用、采集、发布本站内容到任何网站、书籍等各类媒体平台。如若本站内容侵犯了原著者的合法权益,可联系我们进行处理。
冶金钢铁 建筑施工 {企业通用培训}脚手架钢卸料平台专项施工方案讲义1609152335 不久前,最新文档《{企业通用培训}脚手架钢卸料平台专项施工方案讲义1609152... 2 周前 0 0 816 0
建筑施工 技术资料 {企业通用培训}瓦斯隧道专项施工方案培训讲义1609152370 不久前,最新文档《{企业通用培训}瓦斯隧道专项施工方案培训讲义160915237... 2 周前 0 0 187 0