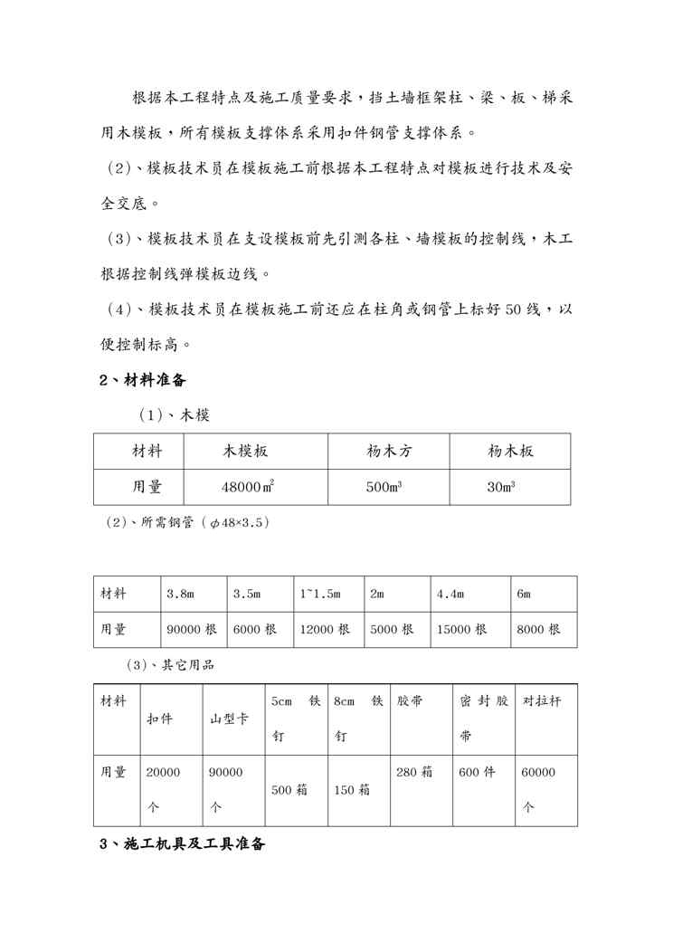
本站正式发布了《{企业通用培训}模板支设施工方案讲义》文档,文档详细内容可下载阅读。 声明:本站所有文章,如无特殊说明或标注,均为本站原创发布。任何个人或组织,在未征得本站同意时,禁止复制、盗用、采集、发布本站内容到任何网站、书籍等各类媒体平台。如若本站内容侵犯了原著者的合法权益,可联系我们进行处理。
技术资料 行业资料 建筑工程质量建筑节能工程施工质量验收资料昆山经济技术开发区建设工程 本站资深用户发布了最新的《建筑工程质量建筑节能工程施工质量验收资料昆山经济技术开... 3 周前 0 0 2.0K 0