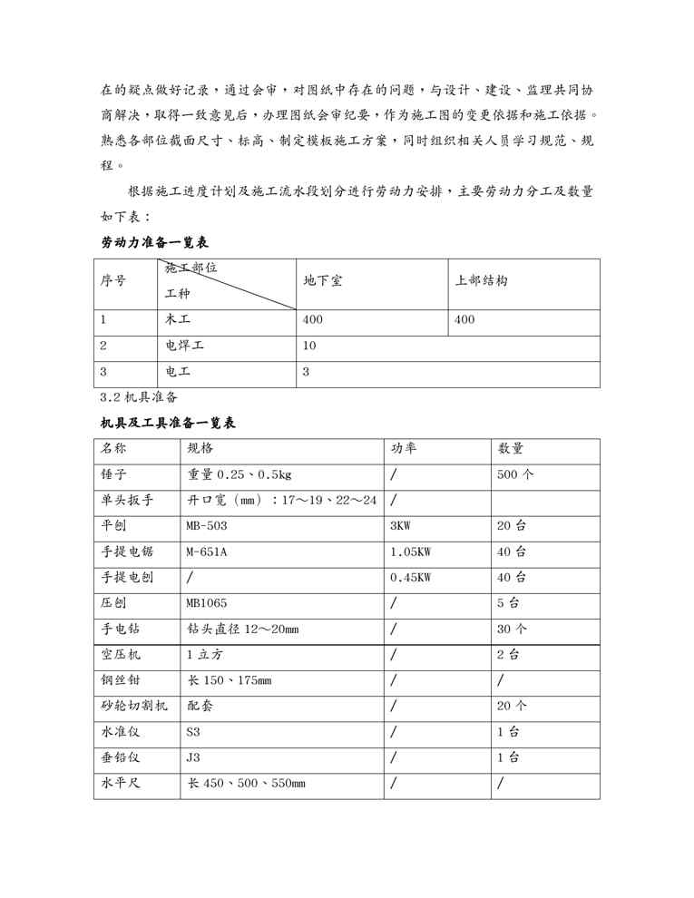
本站正式发布了《{企业通用培训}磐石模板施工方案讲义》文档,文档详细内容可下载阅读。 声明:本站所有文章,如无特殊说明或标注,均为本站原创发布。任何个人或组织,在未征得本站同意时,禁止复制、盗用、采集、发布本站内容到任何网站、书籍等各类媒体平台。如若本站内容侵犯了原著者的合法权益,可联系我们进行处理。
建筑施工 技术资料 (建筑工程管理)建筑工程施工临时用电专项方案(泊湖湾三期工程) 本站正式发布了《(建筑工程管理)建筑工程施工临时用电专项方案(泊湖湾三期工程)》... 2 周前 0 0 1.1K 0