不久前,最新文档《{压力容器管理}醋酸压力管道施工方案》全文正式在本站发布,感兴趣的用户可以下载阅读。 声明:本站所有文章,如无特殊说明或标注,均为本站原创发布。任何个人或组织,在未征得本站同意时,禁止复制、盗用、采集、发布本站内容到任何网站、书籍等各类媒体平台。如若本站内容侵犯了原著者的合法权益,可联系我们进行处理。
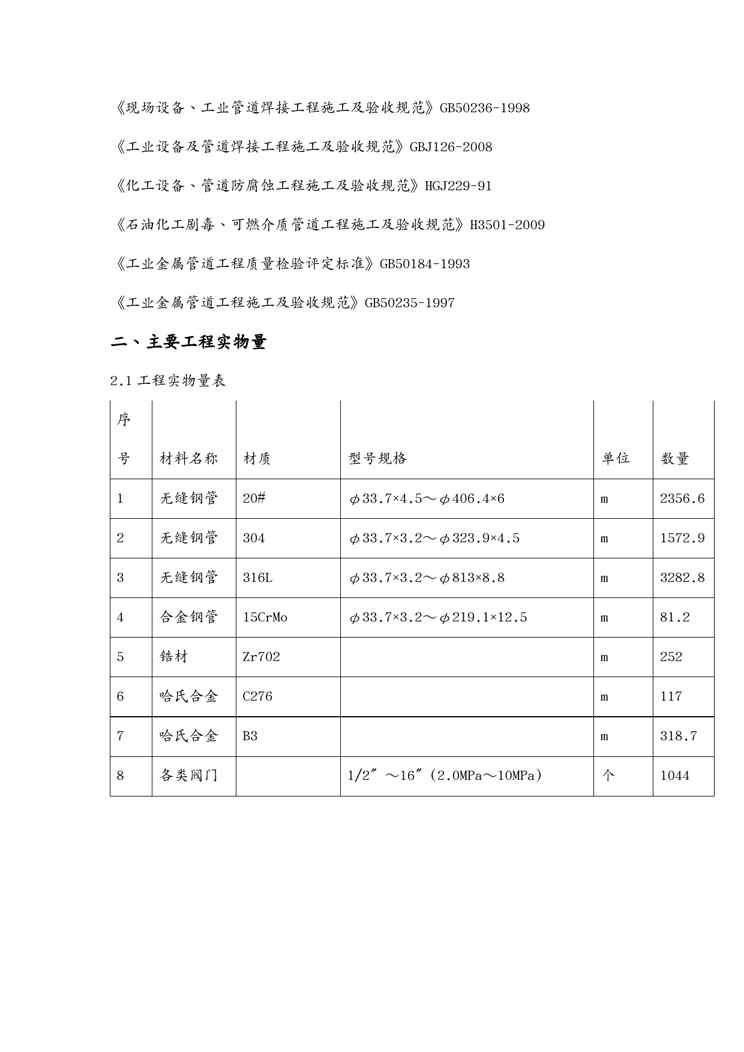
交通运输 法律文献 {营销策划方案}中交四局巴新铁路ZH17合同段项目施工策划书实施性施工组织设计 本站正式发布了《{营销策划方案}中交四局巴新铁路ZH17合同段项目施工策划书实施... 5 天前 0 0 586 0