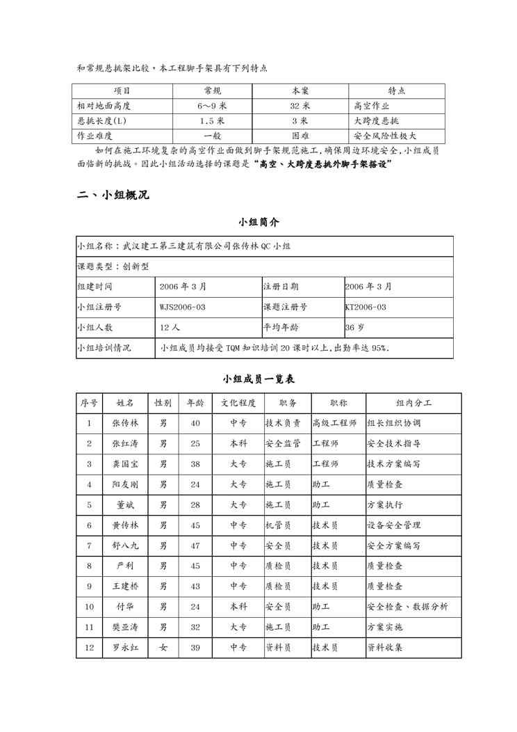
不久前,最新文档《{品质管理Q七大手法}高空大跨度悬挑外脚手架搭设Q》全文正式在本站发布,感兴趣的用户可以下载阅读。
{品质管理Q七大手法}高空大跨度悬挑外脚手架搭设Q{品质管理Q七大手法}高空大跨度悬挑外脚手架搭设Q{品质管理Q七大手法}高空大跨度悬挑外脚手架搭设Q{品质管理Q七大手法}高空大跨度悬挑外脚手架搭设Q{品质管理Q七大手法}高空大跨度悬挑外脚手架搭设Q
download

声明:本站所有文章,如无特殊说明或标注,均为本站原创发布。任何个人或组织,在未征得本站同意时,禁止复制、盗用、采集、发布本站内容到任何网站、书籍等各类媒体平台。如若本站内容侵犯了原著者的合法权益,可联系我们进行处理。