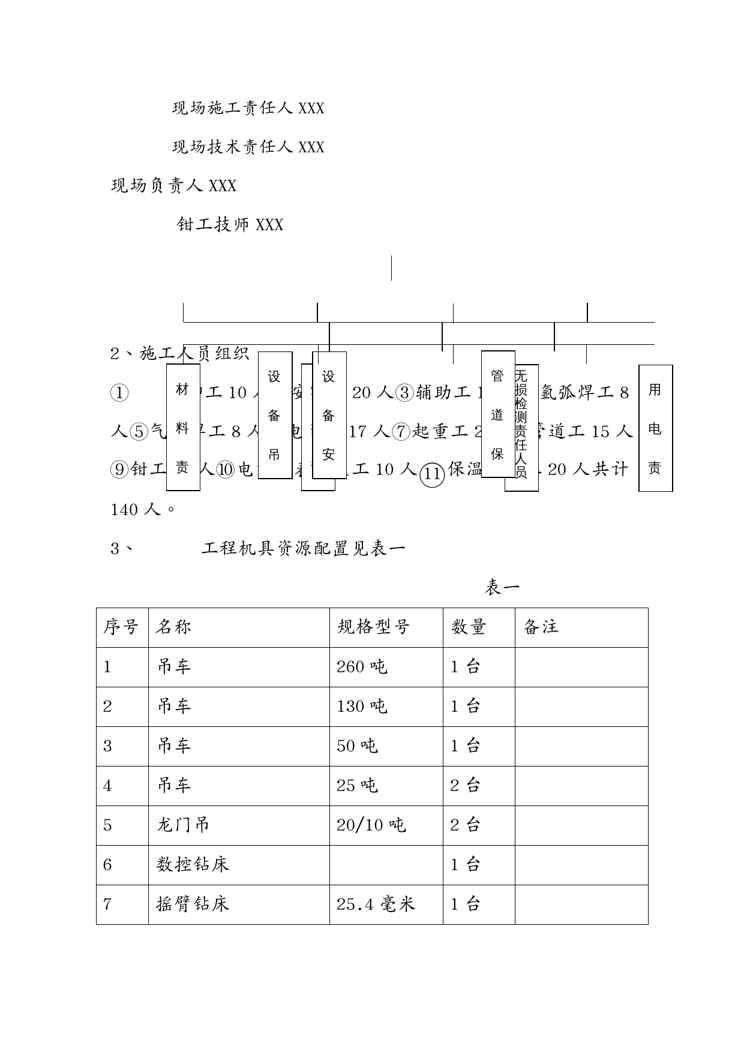
本站资深用户发布了最新的《{营销方案}烧结余热锅炉施工方案》文档,以下内容为预览,详细内容可下载阅读。
{营销方案}烧结余热锅炉施工方案{营销方案}烧结余热锅炉施工方案{营销方案}烧结余热锅炉施工方案{营销方案}烧结余热锅炉施工方案{营销方案}烧结余热锅炉施工方案
download

声明:本站所有文章,如无特殊说明或标注,均为本站原创发布。任何个人或组织,在未征得本站同意时,禁止复制、盗用、采集、发布本站内容到任何网站、书籍等各类媒体平台。如若本站内容侵犯了原著者的合法权益,可联系我们进行处理。